在控制系统中经常用到一些模拟信号,通常使用数模转换器输出所需的模拟信号。计算机控制数模转换器需要借助外部总线接口,usb 接口是常用的外部总线接口,用来控制数模转换器非常便捷。以典型的usb 接口芯片和d/a 转换器芯片为例,详细说明了基于usb接口的数模转换系统的电路设计方法。
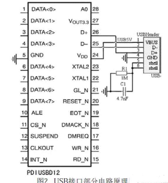
本系统采用usb 控制芯片pdiusbd12 和d/a 转换器ad558 来实现dac 控制。计算机可以通过usb 接口控制ad558 输出所需的各种模拟信号。由于计算机的usb 接口具有向外供电的功能,因此这里采用usb 接口的电源为pdiusbd12 芯片供电。usb 接口部分的电路原理图如图2 所示。

ad558 的数据总线连接到pdiusbd12.ad558 工作于0~ 10v 模拟电压输出模式。电容c9 和c10 用于改善输出波形。ad558 采用单一的12v 供电,不需要外接基准电压源。数模转换部分的电路原理图如图3 所示。

usb 接口中的d 和d-用于高速的usb 数据传输,因此这两根信号线直接影响usb接口电路的稳定性,在印制电路板布线的时候需要仔细布置。d 和d-的走线应尽可能短且相等,并且合理设置d 和d-的导线宽度和间距。d 和d-之间的差分阻抗应该为90w±10%.保证在d 和d-信号的下面是完整的gnd 层。中间断开的gnd 层将导致差分阻抗不匹配,并增加信号的干扰。
本文讲解了如何使用usb 接口芯片实现上位机控制d/a 转换输出模拟电压。d/a 转换器将数字信号转换成为模拟信号,可以利用成熟的数字电路技术实现控制,应用非常广泛。熟练掌握这种方法以后对于相关领域的设计工作十分有用。
app下载



热门文章


